//
Propagation Delay Investigation
Search
Try Notion
Propagation Delay Investigation
Date
December 21, 2020
Tags
FPGA
Physical Test
Keyword
Empty
8MHz → 125ns (Period)
Based on clock/data wave (Link) - Rise/Fall time is ~25ns
In a half-period 125/2 = 62.5ns, 25/62.5 = 40% of the time is unreliable
⏲️
Additional Line Delay: (2~2.4)*5.208ns/meter = 10.416ns/m ~ 12.5ns/m
From (Renishaw) the line delay is 10ns/m (Very Similar)
New: New method of measuring (Just using a different trigger point)
3M Ethernet Cable
Delay: FPGA 0x67*5.208ns = 536.424ns (0x67=103)
New: 0x59 → 89
5M Ethernet Cable
Delay: FPGA 0x6B*5.208ns = 557.256ns (0x6B=107)
New: 0x5D → 93
10M Ethernet Cable
Delay: FPGA 0x75*5.208ns = 609.336ns (0x75=117)
New: 0x67 → 103
10M+5M Ethernet Cable
Delay: FPGA (0x7F)*5.208ns = 661.416ns (0x7F=127)
New: 0x73 → 115
10M + 5M + 3M Ethernet Cable
Delay: FPGA (0x85)*5.208ns = 692.664ns (0x85 = 133)
New: 0x79 → 121
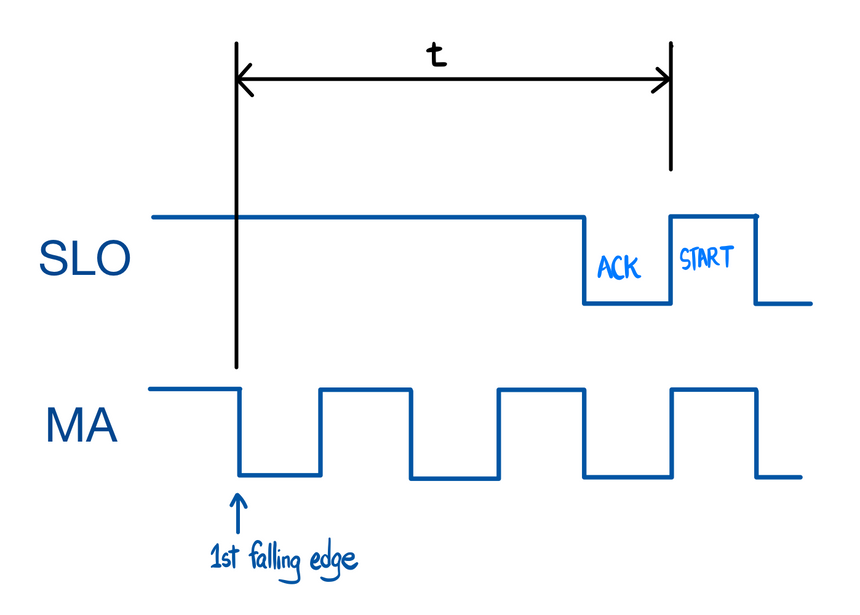
Testing Setup
Delay is measured from width: tt
Resolution: 192MHz → 5.208ns
Physical Setup
Reading - Acquisition
The sampled data are send back to PC via UART communication
The data to take note is the last 4 character which is the tt in clock cycle (In this example is 0x007F)
Data Realiability
One set of data has been crosschecked with an logic analyzer running on 24MHz sampling rate and the number match up.
The time tt doesn't fluctuate during the test (Over thousands of data points) means it is accurate
The relationship between distance are also linear and can be easily use to interpolate the delay at different lengths